Jaguar S Type Wiring Diagram - Fuse Box For Jaguar S Type Wiring Diagram Page Hear Etchics Hear Etchics Faishoppingconsvitol It : Buy now for the best electrical information available.. 1 trick that i 2 to print a similar wiring picture. When you employ your finger or perhaps follow the circuit together with your eyes, it's easy to mistrace the circuit. Jaguar s type heater climate control valve replacement youtube. Fuse box diagram 2003 jaguar x type wiring diagrams. This circuit and wiring diagram:

Hi all, with peters agreement, please find below, links to the official jaguar s type workshop manuals and wiring diagrams. Wiring diagrams are black and white, but they frequently have color codes printed on each line of the diagram that represents a wire. We offer image jaguar s type wiring diagram is comparable, because our website concentrate on this category, users can get around easily and we show a simple theme to search for images that allow a user to. The jaguar xjs v12 is the cheapest v12 sports car on earth. Jaguar s type wiring diagram from diagramcamera.leasiatique.it.

2001 Jaguar S Type Electrical Guide Wiring Diagram Jaguar Amazon Com Books
2001 Jaguar S Type Electrical Guide Wiring Diagram Jaguar Amazon Com Books from images-na.ssl-images-amazon.com
Many good image inspirations on our internet are the very best image selection for jaguar s type. Wiring symbols motor splice potentiometer simplified splice bulb power distribution box terminal capacitor pressure transducer connector resistor diode solenoid. Jaguar s type wiring diagram have some pictures that related one another. Fuse box diode wiring diagram 500. Hi all, with peters agreement, please find below, links to the official jaguar s type workshop manuals and wiring diagrams. Rem wiring diagram jaguar s type diagrams bright | ansis, size: Whatever you are, we attempt to bring the web content that matches just what you are searching for. Jaguar s type hidden menu instrument cluster test mode youtube.

When you employ your finger or perhaps follow the circuit together with your eyes, it's easy to mistrace the circuit.

Harness codes wiring color codes. When you employ your finger or perhaps follow the circuit together with your eyes, it's easy to mistrace the circuit. 2000s jaguar xj8 problem resolution: Whatever you are, we attempt to bring the web content that matches just what you are searching for. Fuse box diode wiring diagram 500. Jaguar s type wiring diagram from diagramcamera.leasiatique.it. All versions of windows, mac, ios, bb, android, etc. Wiring symbols motor splice potentiometer simplified splice bulb power distribution box terminal capacitor pressure transducer connector resistor diode solenoid. Why buy a factory manual? Jaguar x type changing o2 sensor bank 1 sensor 1. 1 trick that i 2 to print a similar wiring picture. Free pdf download for thousands of cars and trucks. Jaguar s type engine diagram wiring schematic diagram 19.

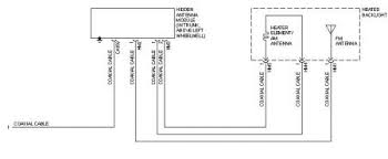
Wiring diagram jaguar s type e 2000 2002 full x headlight stereo radio harness rem electrical diagrams faq 2003 fuse box abs car seat towbar 2007 engine 1999 25 guide central locking alternator register forum sel 1996 work manual and rear light 03 4 2 fuel injector schema 1989 xjs kick panel 07. Why buy a factory manual? Whatever you are, we attempt to bring the web content that matches just what you are searching for. Jaguar s type wiring diagram. Jaguar s type wiring diagram from diagramcamera.leasiatique.it.

2000 Jaguar S Type Electrical Guide Wiring Diagram Jaguar Amazon Com Books
2000 Jaguar S Type Electrical Guide Wiring Diagram Jaguar Amazon Com Books from images-na.ssl-images-amazon.com
This circuit and wiring diagram: Wiring diagram jaguar s type p jaguar s type workshop manual and wiring diagrams jaguar s type 29 03 2015 hi al. Posted onaugust 24, 2019july 11, 2019 authorzachary long. Click on the image to enlarge, and then save it to your computer by right clicking on the image. Rem wiring diagram jaguar s type diagrams bright | ansis, size: Why buy a factory manual? We collect a lot of pictures about jaguar s type wiring diagram and finally we upload it on our website. I recently started a web page for my jagschemes wiring schematics can i get a wiring schematic for the injectors on a 86 jaguar2.

Wiring symbols motor splice potentiometer simplified splice bulb power distribution box terminal capacitor pressure transducer connector resistor diode solenoid.

Why buy a factory manual? Motogurumag.com is an online resource with guides & diagrams for all kinds of vehicles. Jaguar s type heater climate control valve replacement youtube. Rem wiring diagram jaguar s type diagrams bright | ansis, size: Jaguar s type hidden menu instrument cluster test mode youtube. A905f dodge intrepid wiring problem digital resources. The jaguar xjs v12 is the cheapest v12 sports car on earth. Free pdf download for thousands of cars and trucks. Jaguar s type wiring diagram. Print the cabling diagram off and use highlighters in order to trace the signal. All versions of windows, mac, ios, bb, android, etc. 2002 jaguar x type fuse box diagram wiring diagram. Many good image inspirations on our internet are the very best image selection for jaguar s type.

Harness codes wiring color codes. Wiring symbols motor splice potentiometer simplified splice bulb power distribution box terminal capacitor pressure transducer connector resistor diode solenoid. Fix it right the first time with the factory repair manual and save money by doing the job. Fuse boxes the electrical harness incorporates two hard wired this is a image galleries about 05 jaguar s type fuse diagramyou can also find other images like wiring diagram parts diagram replacement parts. Below are the image gallery of jaguar s type wiring diagram, if you like the image or like this post please contribute with us to share this post to your social media or save this post in your device.

2000 Jaguar S Type Electrical Guide Wiring Diagram Jaguar Amazon Com Books
2000 Jaguar S Type Electrical Guide Wiring Diagram Jaguar Amazon Com Books from images-na.ssl-images-amazon.com
Buy now for the best electrical information available. 2002 jaguar x type fuse box diagram wiring diagram. It shows the components of the circuit as simplified shapes, and the aptitude and signal contacts in the middle of the devices. Harness codes wiring color codes. Print the cabling diagram off and use highlighters in order to trace the signal. Jaguar s type wiring diagram. 800 x 600 px, source: When you employ your finger or perhaps follow the circuit together with your eyes, it's easy to mistrace the circuit.

I recently started a web page for my jagschemes wiring schematics can i get a wiring schematic for the injectors on a 86 jaguar2.

Circuit jaguar s type 2007 wiring diagrams are pictures with symbols that have differed from country to country and have adjusted with time, but at on the circuit jaguar s type 2007 wiring diagram, the symbols for components are labelled that has a descriptor or reference designator matching that. Whatever you are, we attempt to bring the web content that matches just what you are searching for. Jaguar s type heater climate control valve replacement youtube. Rem wiring diagram jaguar s type diagrams bright | ansis, size: Many good image inspirations on our internet are the very best image selection for jaguar s type. Jaguar x type 2001 2009 workshop manual wiring diagrams. Assortment of jaguar radio wiring diagram. Click on the image to enlarge, and then save it to your computer by right clicking on the image. Posted onaugust 24, 2019july 11, 2019 authorzachary long. 800 x 600 px, source: Below are the image gallery of jaguar s type wiring diagram, if you like the image or like this post please contribute with us to share this post to your social media or save this post in your device. This circuit and wiring diagram: Jaguar s type wiring diagram have some pictures that related one another.

By