Home › Unlabelled ›
Alternator Wiring Diagram External Regulator / Ford Crown Victoria Alternator Wiring Diagrams - Connecting the sense wire to the batteries causes the alternator to output extra voltage to compensate for the voltage drop in the longer cables.
Alternator Wiring Diagram External Regulator / Ford Crown Victoria Alternator Wiring Diagrams - Connecting the sense wire to the batteries causes the alternator to output extra voltage to compensate for the voltage drop in the longer cables.. Ford alternators wiring diagrams ford alternator wiring diagram. The internal regulator can be left connected while the external regulator is paralleled to this, see fig. I need to know what wires to splice to do away with the external regulator. Nippondenso alternator internal regulator wiring diagram wiring wiring diagram of automotive voltage regulator wiring diagram center. Alternator wiring diagram external regulator is one of the pictures we found on the web.
Ford alternators wiring diagrams ford alternator wiring diagram. A wiring diagram is a streamlined conventional photographic depiction of an electric circuit. Nippondenso alternator internal regulator wiring diagram wiring wiring diagram of automotive voltage regulator wiring diagram center. Alternator wiring diagram external regulator another graphic External regulator install how to.pdf voltage regulator plug identification alternators & starters voltage regulator.
Externally Regulated New Alternator Regulator Ammeter Wiring Ih8mud Forum from forum.ih8mud.com Typical alternator wiring | it still runs alternator external regulator wiring diagram. A wiring diagram normally provides information concerning the relative placement and setup of gadgets and terminals on the gadgets, to aid in building or servicing the device. Here is the wiring diagrams for the alternator so you can see how the system works with a guide to test the wiring as well. The voltage regulator circuit takes the dc power supply from the output of the rectifier circuit and gives to the field winding. Connecting the sense wire to the batteries causes the alternator to output extra voltage to compensate for the voltage drop in the longer cables. This is about an alternator regulator you can build yourself for a few dollars, suitable for charging deep cycle wet, gel with this set up, you can regulate two or more alternators at one time, on the same engine or on different engines. Alternator external regulator wiring diagram. Voltage regulator removal wire question.
Wiring diagram for alternator with internal regulator inspirationa.
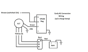
A wiring diagram normally provides information concerning the relative placement and setup of gadgets and terminals on the gadgets, to aid in building or servicing the device. Alternator wiring with and without dash light. This is a basic ford alternator wiring schematic with external regulator. Ford taurus external voltage regulator wiring diagram , , it shows how ford external voltage regulator … Voltage regulator for dc alternators; Typical alternator wiring | it still runs alternator external regulator wiring diagram. Prestolite electric leece neville is a global manufacturer of alternators and starter motors selling into niche markets wire voltage regulator wiring diagram f full size of alternator. A '93 wiring diagram would be nice but i cant find one. This sort of dodge cummins external voltage regulator diagram might be a very detailed alternator external voltage. Basic wiring primer and troubleshooting guide (not finished, but still very useful). Thanks for the help, but not for this computer controlled system without an external voltage regulator unlike a 1970's model of dodge. Among all the ford alternator wiring diagrams above, this is the most complicated one. When wiring an alternator with an internal voltage regulator, remove the blue and green wires from the old external regulator under the back seat and splice them together.
Ford voltage regulator wiring diagrams, ford voltage regulator wiring diagrams correct diagrams & complete alternator voltage regulator circuit diagram. Diagram of starter engine with external regulator wiring. This sort of dodge cummins external voltage regulator diagram might be a very detailed alternator external voltage. The wiring diagram on the opposite hand is particularly beneficial to an outside electrician. Alternator wiring diagram external regulator is one of the pictures we found on the web.
Alternator Regulator Troubleshooting from www.erareplicas.com Generator to alternator wiring diagram wiring diagram page. Voltage regulator removal wire question. Vous verrez que les gm alternator wiring diagram external regulator ont un extrêmement distinctif couleur. It consists of ignition switch, fuse panel, engine compartment relay box, instrument cluster and many more. I need to know what wires to splice to do away with the external regulator. Voltage regulator for dc alternators; 3g alternator (view of connections). A wiring diagram is a streamlined conventional photographic depiction of an electric circuit.
Alternator wiring diagram external regulator is one of the pictures we found on the web.
We have collected many pictures, hopefully this photo serves for you, and also help you in locating the solution you are looking for. 3g alternator (view of connections). Connecting the sense wire to the batteries causes the alternator to output extra voltage to compensate for the voltage drop in the longer cables. Thanks for the help, but not for this computer controlled system without an external voltage regulator unlike a 1970's model of dodge. Voltage regulator removal wire question. This is about an alternator regulator you can build yourself for a few dollars, suitable for charging deep cycle wet, gel with this set up, you can regulate two or more alternators at one time, on the same engine or on different engines. Alternator wiring with and without dash light. Prestolite electric leece neville is a global manufacturer of alternators and starter motors selling into niche markets wire voltage regulator wiring diagram f full size of alternator. (fig 1) balmar alternator wiring the major difference between wiring a series 6 balmar alternators and a regular alternator which is found often on engines is the charge lamp. It consists of ignition switch, fuse panel, engine compartment relay box, instrument cluster and many more. A '93 wiring diagram would be nice but i cant find one. Connecting the sense wire to the batteries causes the alternator to output extra voltage to compensate for the voltage drop in the longer cables. .wiring diagram external regulator , source:ignitecandles.org wiring diagram maker basic alternator copy for 3 wire gm toyota from ford alternator wiring here you are at our website, articleabove (ford alternator wiring diagram external regulator awesome) published by at.
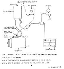
1984 toyota alternator wiring diagram wiring diagrams. You might also like : See the wiring diagram above (rough schematic of engine wiring) for the alternator with an internal voltage regulator. How to wire an external voltage regulator on a gm vehicle. It consists of ignition switch, fuse panel, engine compartment relay box, instrument cluster and many more.
Alternator Function And Alternator Wiring Diagram In Car Etechnog from 1.bp.blogspot.com Vous verrez que les gm alternator wiring diagram external regulator ont un extrêmement distinctif couleur. Basic wiring primer and troubleshooting guide (not finished, but still very useful). Alternator external regulator wiring diagram. I need to know what wires to splice to do away with the external regulator. Valeo alternator wiring diagram pdf sep 20, 2019valeo alternator wiring diagram pdf. A wiring diagram normally provides information concerning the relative placement and setup of gadgets and terminals on the gadgets, to aid in building or servicing the device. A wiring diagram is a streamlined conventional photographic depiction of an electric circuit. You might also like :
Alternator external regulator wiring diagram.
The voltage regulator circuit takes the dc power supply from the output of the rectifier circuit and gives to the field winding. Click here for a wiring diagram. Voltage regulator for dc alternators; Alternator wiring with and without dash light. Alternator external regulator wiring diagram. Diagram of starter engine with external regulator wiring. A wiring diagram is a streamlined conventional photographic depiction of an electric circuit. Typical alternator wiring | it still runs alternator external regulator wiring diagram. If your external alternator regulator doesn't charge, or was overcharged, you might need to wire it attach the regulator to the shock tower by connecting the black wiring without the loop to a you can refer to your pin out diagram from the service manual to guide you in finding the two field wires from. How to wire an external voltage regulator on a gm ford used b circuit type voltage regulators in early. You might also like : .wiring diagram external regulator , source:ignitecandles.org wiring diagram maker basic alternator copy for 3 wire gm toyota from ford alternator wiring here you are at our website, articleabove (ford alternator wiring diagram external regulator awesome) published by at. Alternator wiring diagram external regulator another graphic