2004 Chrysler Sebring Fuse Box Diagram / Chrysler Sebring Mk2 Coupe Fl 2003 2005 Fuse Box Diagram Carknowledge Info : 2010 chrysler sebring user guide.. Diagram of 2004 chrysler sebring relay and fuse box need to know where the relay is for the tcm on a 2004 chrysler sebring convertible 2.7. Car fuse box diagram, fuse panel map and layout. Chrysler sebring iii (js) fuse box. Fuse box diagram location and assignment of electrical fuses for chrysler sebring js. 2004 chrysler sebring fuse box diagram.

If your sebring has many options like a sunroof, navigation, heated seats, etc, the more fuses it has. Fuse box diagram location and assignment of electrical fuses for chrysler sebring js. 2010 chrysler sebring user guide. 2001, 2002, 2003, 2004, 2005, 2006). Need a 2004 chrysler sebring manual?

Fuse Box Location And Diagrams Chrysler Sebring Jr 2004 2006 Youtube
Fuse Box Location And Diagrams Chrysler Sebring Jr 2004 2006 Youtube from i.ytimg.com
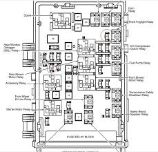
The air conditioning relay switch in the 2004 chrysler sebring is located in the engine compartment fuse box on top of the battery. Under hood fuse diagram where is the cruise control fuse? 2007 chrysler jr sebring, stratus sedan and convertible service manual. What could be the cause of this? Specifically, i need to locate the fuse for the energy port next to the ash tray on a 2006 chrysler 300c and need its fuse box layout to locate it. The fuse access panel is behind the end cover at the left side of the instrument panel. I have a chrysler sebring 2004 convertible that keeps blowing the starter fuse(fuse #8). Do i have to remove the changer.

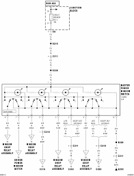
Fuse panel diagram chrysler sebring and dodge stratus (sedan, coupe, convertible;

Car fusebox and electrical wiring diagram. Remove the top cover of the fuse box. Under hood fuse diagram where is the cruise control fuse? Internal fuse box diagram for chrysler 2004 jr41 sebring (click on image for larger view). Do i have to remove the changer. On my 2004 300m after abattery change the 6 disc cd changer will not work lights flash & sounds like it is trying to change. The air conditioning relay switch in the 2004 chrysler sebring is located in the engine compartment fuse box on top of the battery. Car fuse box diagram, fuse panel map and layout. For the chrysler sebring sedan, chrysler sebring convertible, chrysler sebring coupe 2001, 2002, 2003, 2004, 2005, 2006, 2007 model year. If your chrysler sebring headlights or something else out of electrical system doesn't work, check the fusebox and if it is needed, make a replacement. Fuse box diagram location and assignment of electrical fuses for chrysler sebring js. 2000, 2001, 2002, 2003, 2004, 2005, 2006). Along with plymouth voyager fuse box diagram further.

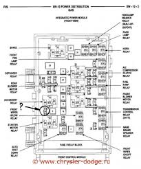
2003, 2004 instrument panel fuse block the instrument panel fuse block is located to the right of the glove box. To remove the panel, pull chrysler sebring underhood fuses (power distribution center). This center contains cartridge fuses and mini fuses. The first main free source of chrysler fuse box diagrams, is to download the owner's manual of your car from an official website of the manufacturer. Internal fuse box diagram for chrysler 2004 jr41 sebring (click on image for larger view).

Fuse Box Chrysler Sebring Mk3
Fuse Box Chrysler Sebring Mk3 from fusesdiagram.com
The fuse access panel is behind the end cover at the left side of the instrument panel. Diagram of 2004 chrysler sebring relay and fuse box need to know where the relay is for the tcm on a 2004 chrysler sebring convertible 2.7. This information applies to vehicles built without the fuse and relay numbering embossed on the backside of the instrument panel. On my 2004 300m after abattery change the 6 disc cd changer will not work lights flash & sounds like it is trying to change. If your sebring has many options like a sunroof, navigation, heated seats, etc, the more fuses it has. 2000, 2001, 2002, 2003, 2004, 2005, 2006). 2004 chrysler sebring fuse box diagram. Under hood fuse diagram where is the cruise control fuse?

The fuse access panel is behind the end cover at the left side of the instrument panel.

Need a 2004 chrysler sebring manual? Some components may have multiple. The fuse access panel is behind the end cover at the left side of the instrument panel. Or is it a cable that isn't grounded this site might help you. Fuse diagram for a 2008 sebring. This information applies to vehicles built without the fuse and relay numbering embossed on the backside of the instrument panel. For the chrysler sebring sedan, chrysler sebring convertible, chrysler sebring coupe 2001, 2002, 2003, 2004, 2005, 2006, 2007 model year. 2003, 2004 instrument panel fuse block the instrument panel fuse block is located to the right of the glove box. The fuse access panel is behind the end cover at the left side of the instrument panel. 2004 chrysler crossfire technical publications. Internal fuse box diagram for chrysler 2004 jr41 sebring (click on image for larger view). I have a chrysler sebring 2004 convertible that keeps blowing the starter fuse(fuse #8). A power distribution center is located in the engine compartment;

The fuse access panel is behind the end cover at the left side of the instrument panel. Fuse diagram for a 2008 sebring. 2004 chrysler 300 fuse box diagram schematic diagram. Interior fuses 7 the fuse access panel is indicated on the power distribution center top cover. We have the following 2006 chrysler sebring manuals available for free pdf download.

06 Dodge Stratus Fuse Diagram 2000 Polaris 335 Wiring Diagram Goldwings Padi Empai Tu4 Pistadelsole It
06 Dodge Stratus Fuse Diagram 2000 Polaris 335 Wiring Diagram Goldwings Padi Empai Tu4 Pistadelsole It from www.moparpartsoverstock.com
2010 chrysler sebring user guide. Under hood fuses (power distribution center ). 2007 chrysler jr sebring, stratus sedan and convertible service manual. To remove the panel, pull chrysler sebring underhood fuses (power distribution center). Interior fuses 7 the fuse access panel is indicated on the power distribution center top cover. Do i have to remove the changer. A power distribution center is located in the engine compartment; 2001, 2002, 2003, 2004, 2005, 2006).

Remove the top cover of the fuse box.

The first main free source of chrysler fuse box diagrams, is to download the owner's manual of your car from an official website of the manufacturer. Chrysler, chrysler sebring, fuse box diagram. It has tabs on the left and right sides that must be step 3: Along with plymouth voyager fuse box diagram further. Or is it a cable that isn't grounded this site might help you. 2010 chrysler sebring user guide. 2004 chrysler crossfire technical publications. 2001, 2002, 2003, 2004, 2005, 2006). If your sebring has many options like a sunroof, navigation, heated seats, etc, the more fuses it has. Internal fuse box diagram for chrysler 2004 jr41 sebring (click on image for larger view). 2001, 2002, 2003, 2004, 2005, 2006. Fuse panel diagram chrysler sebring and dodge stratus (sedan, coupe, convertible; For the chrysler sebring sedan, chrysler sebring convertible, chrysler sebring coupe 2001, 2002, 2003, 2004, 2005, 2006, 2007 model year.

By