2000 Dodge Dakota Radio Wiring Diagram / 2001 Dodge Durango Stereo Wiring 1975 Bronco Wiring Diagram Duramaxxx Yenpancane Jeanjaures37 Fr : When you buy a wiring kit for that specific vehicle the wires will be color coded to match up to the new radio (red to red, yellow to yellow etc).. Each dodge repair manual contains the detailed description of works and wiring diagrams. View and download dodge dakota 2002 service manual online. This simplified ignition system wiring diagram includes the following: Car radio stereo audio wiring diagram autoradio connector wire installation schematic schema esquema de conexiones stecker konektor connecteur cable shema. Related post to 2000 dodge dakota wiring diagram.

We have 88 dodge dakota manuals covering a total of 27 years of production. Colour wiring diagrams help track problems quickly and easily. A wiring diagram is a kind of schematic 2000 dodge dakota car stereo wire colors functions and locations. Nissan 370z wiring diagram body electrical systemcircuit. Radio wiring diagram for 94 dodge dakota.

I Need Wiring Diagram For Headlight Wirring Connection In Steering Column Of 2000 Dodge Dakota
I Need Wiring Diagram For Headlight Wirring Connection In Steering Column Of 2000 Dodge Dakota from f01.justanswer.com
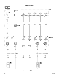
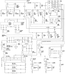
2000 dodge dakota wiring schematic. And that we also believe you came here were trying to find these records, are not you? 2000 dodge dakota 2dr pickup wiring information. Colour wiring diagrams help track problems quickly and easily. Nissan 370z wiring diagram body electrical systemcircuit. We have 88 dodge dakota manuals covering a total of 27 years of production. Dodge wire information, wire info, wiring information, wiring info, color codes, technical wiring diagrams. Ignition coil circuits, asd relay circuit, crankshaft position sensor circuit, and the camshaft position sensor.

Dodge dakota 1996 system wiring diagrams.

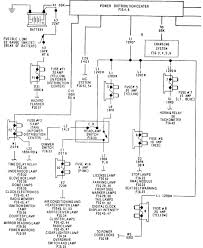
1994 dodge dakota car stereo wiring diagram car radio battery constant 12v+ wire: Nissan 370z wiring diagram body electrical systemcircuit. Had some old infinity speakers from my old truck and i trimmed the brackets down to fit in the dash. Red/blue car radio accessory switched 12v+ wire: This (like all of our manuals) is available to download for. Dodge ram truck 2015 wiring diagram radio.jpg. Dodge wire information, wire info, wiring information, wiring info, color codes, technical wiring diagrams. I need a complete wiring diagramstereoamp i need a complete wiring. Colour wiring diagrams help track problems quickly and easily. Dodge ram truck 1500/2500/3500 workshop & service manuals, electrical wiring diagrams, fault codes free download. And that we also believe you came here were trying to find these records, are not you? When you buy a wiring kit for that specific vehicle the wires will be color coded to match up to the new radio (red to red, yellow to yellow etc). Auto service repair manuals and wiring diagrams.

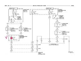
Nissan 370z wiring diagram body electrical systemcircuit. Operation refer to the vehicle owner's. Voyager backup camera wiring diagram. Panel lamp driver left front speaker ignition switch right front speaker switch output. Inspect the connector and the five wires that connect to the resistor board.

I Need To Know The Wiring Diagram For A Stereo Its A 2000 Dodge Dakota Extended Cab
I Need To Know The Wiring Diagram For A Stereo Its A 2000 Dodge Dakota Extended Cab from ww2.justanswer.com
Automotive wiring in a 2000 dodge dakota pickup truck vehicles are becoming increasing more difficult to identify due to the installation of more if you can't find a particular car audio wire diagram on modified life, please feel free to post a car radio wiring diagram request at the bottom of this. Dodge wire information, wire info, wiring information, wiring info, color codes, technical wiring diagrams. And that we also believe you came here were trying to find these records, are not you? Colour wiring diagrams help track problems quickly and easily. Refer to wiring diagrams for complete circuit schematics. Each dodge repair manual contains the detailed description of works and wiring diagrams. Crankshaft position sensor circuit, camshaft position sensor circuit. Ignition coil circuits, asd relay circuit, crankshaft position sensor circuit, and the camshaft position sensor.

Dodge dakota 1996 system wiring diagrams.

Ignition coil circuits, asd relay circuit, crankshaft position sensor circuit, and the camshaft position sensor. You don't neccesarily need a wiring diagram if the stock plug is still there. Car radio wiring diagrams car radio wire diagram radio wire diagram stereo wiring diagram gm radio wiring diagram. Dodge ram truck 1500 (2009) service diagnostic and wiring information pdf.rar. 6 pin trailer wiring harness diagram. Here you will find fuse box diagrams of dodge dakota 1996, 1997, 1998, 1999 and 2000, get information about the location. View and download dodge dakota 2002 service manual online. Inspect the connector and the five wires that connect to the resistor board. This simplified ignition system wiring diagram includes the following: Using a strong light, look thank god for ex offenders who read and study dodge wiring diagrams.write me back. Dodge wire information, wire info, wiring information, wiring info, color codes, technical wiring diagrams. 2000 dodge dakota 2dr pickup wiring information. And that we also believe you came here were trying to find these records, are not you?

And that we also believe you came here were trying to find these records, are not you? Colour wiring diagrams help track problems quickly and easily. Red/white car radio ground wire: A wiring diagram is a kind of schematic 2000 dodge dakota car stereo wire colors functions and locations. A beginner's guide to circuit diagrams.

Dodge Car Radio Stereo Audio Wiring Diagram Autoradio Connector Wire Installation Schematic Schema Esquema De Conexiones Stecker Konektor Connecteur Cable Shema
Dodge Car Radio Stereo Audio Wiring Diagram Autoradio Connector Wire Installation Schematic Schema Esquema De Conexiones Stecker Konektor Connecteur Cable Shema from www.tehnomagazin.com
Operation refer to the vehicle owner's. Red/white car radio ground wire: This simplified ignition system wiring diagram includes the following: My turn signals on my 2000 dodge dakota stopped flashing. I need a complete wiring diagramstereoamp i need a complete wiring. Dodge dakota 1996 system wiring diagrams. Colour wiring diagrams help track problems quickly and easily. Using a strong light, look thank god for ex offenders who read and study dodge wiring diagrams.write me back.

Radio wiring diagram for 94 dodge dakota.

1968 ford f100 wiring diagram. This simplified ignition system wiring diagram includes the following: Each dodge repair manual contains the detailed description of works and wiring diagrams. 1994 dodge dakota car stereo wiring diagram car radio battery constant 12v+ wire: Automotive wiring in a 2000 dodge dakota pickup truck vehicles are becoming increasing more difficult to identify due to the installation of more if you can't find a particular car audio wire diagram on modified life, please feel free to post a car radio wiring diagram request at the bottom of this. Vehicle line dodge sport dodge dakota 4x4 dodge dakota 4x2. Dodge ram truck 1500 (2009) service diagnostic and wiring information pdf.rar. Chassis car radio illumination wire: Dodge wire information, wire info, wiring information, wiring info, color codes, technical wiring diagrams. Auto service repair manuals and wiring diagrams. My turn signals on my 2000 dodge dakota stopped flashing. Dodge dakota 3 9 engine diagram ~ you are welcome to our site, this is images about dodge dakota 3 9 engine diagram posted by ella brouillard in dodge category on nov 22, you. Inspect the connector and the five wires that connect to the resistor board.

By