Home › Unlabelled ›
Rv Battery Isolator Wiring Diagram - How To Choose A Battery Isolator For A Diy Camper Van Electrical System Explorist Life / The diagram provides visual representation of the electrical structure.
Rv Battery Isolator Wiring Diagram - How To Choose A Battery Isolator For A Diy Camper Van Electrical System Explorist Life / The diagram provides visual representation of the electrical structure.. If properly functioning, the device isolates one set of. Learn to wire chargers & isolators! Rv trailer battery wiring diagram online wiring diagram. Adding a smart battery isolator will let you charge your batteries from your van's engine. 100ah and up (one or more batteries).
This is a video of me replacing my pac 80 battery isolator. Learn to wire chargers & isolators! Now that you know whats going on under the hood, you can install the isolator. The battery isolator is a motorsport solid state device which can be used for fia compliant battery isolation and the device operation can be best explained with state machine diagram: Battery isolator xr automobile accessories pdf manual download.
Rv Isolator Wiring Diagram 12v Led Transformer Wiring Diagram Air Bag Dvi D Genericocialis It from static-assets.imageservice.cloud Rv dual battery switch wiring diagram wiring diagram expert wiring diagram for 4×4 accessories wiring diagram list. After answering numerous questions about different battery isolator schemes, i decided it would be easier to just. Learn to wire chargers & isolators! More flexible than traditional battery isolators. Robust inexpensive 12v 150 amp smart battery isolator and smart. See and discover other items: A wiring diagram usually gives counsel not quite the relative outlook and concord of devices and terminals upon the devices, to put up to in building or servicing the device. I go over how you can diagnose an issue with yours, the.
Next we will look at the actual process of how a relay works.
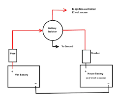
After answering numerous questions about different battery isolator schemes, i decided it would be easier to just. The battery isolator should be mounted securely with unpainted screws/bolts to provide good electrical contact with the chassis. Find smart battery isolators series battery isolators part specifications and more from the littelfuse selection of terminals and contacts. Battery isolator xr automobile accessories pdf manual download. Rv battery isolator wiring great installation of wiring diagram. Next we will look at the actual process of how a relay works. I would add a fuse between the starter battery and the stinger (mb does when they supply their auxiliary battery option). Our comprehensive guide will show you how to get the job done in no time. Components of rv battery isolator wiring diagram there are just two things that will be present in almost any rv battery isolator wiring diagram. First it receives current from the alternator and controls distribution of energy to both refer to diagram (fig. Gauges kit boat, relay kit, relay switch, auto alternator, isolation wires, wiring diode. Learn to wire chargers & isolators! The diagram provides visual representation of the electrical structure.
Rv trailer battery wiring diagram online wiring diagram. Solar charging parts list & wiring diagrams. The battery isolator is a motorsport solid state device which can be used for fia compliant battery isolation and the device operation can be best explained with state machine diagram: I would add a fuse between the starter battery and the stinger (mb does when they supply their auxiliary battery option). Solar power & rv battery banks.
Damon Wiring Diagram Update Added Mod Irv2 Forums from www.irv2.com Different batteries have different needs. They are also a good choice for making repairs. Adding a smart battery isolator will let you charge your batteries from your van's engine. It shows how a electrical wires are use wiring diagrams to assistance with building or manufacturing the circuit or computer. Now that you know whats going on under the hood, you can install the isolator. Robust inexpensive 12v 150 amp smart battery isolator and smart. Battery isolator systems allow you to charge the secondary batteries in your van when the motor is running. In this video we talk.
The rv battery is installed in parallel circuitry with the battery on your tow vehicle.
It makes the process of assembling circuit simpler. In this video we talk. Learn to wire chargers & isolators! A wiring diagram is a simple visual representation of the physical connections and physical layout of an electrical system or circuit. Robust inexpensive 12v 150 amp smart battery isolator and smart. 27) for the color code of the seven pin connector. Rv trailer battery wiring diagram online wiring diagram. Now that you know whats going on under the hood, you can install the isolator. It shows how a electrical wires are use wiring diagrams to assistance with building or manufacturing the circuit or computer. A battery isolator should be installed for two purposes. Solar power & rv battery banks. For some newer vehicles, a she has traveled through 48 us states and writes about van life, camping and rv living. Interactive & comprehensive electrical wiring diagram for diy camper van conversion.
After answering numerous questions about different battery isolator schemes, i decided it would be easier to just. 100ah and up (one or more batteries). Rv battery isolators intelligently manage the charge and discharge of both chassis and coach batteries. The battery isolator is a motorsport solid state device which can be used for fia compliant battery isolation and the device operation can be best explained with state machine diagram: For some newer vehicles, a she has traveled through 48 us states and writes about van life, camping and rv living.
How To Wire A Battery Isolator In A Camper from cpi.studiod.com Different batteries have different needs. Our comprehensive guide will show you how to get the job done in no time. For some newer vehicles, a she has traveled through 48 us states and writes about van life, camping and rv living. This is a video of me replacing my pac 80 battery isolator. Rv battery isolator wiring great installation of wiring diagram. I would add a fuse between the starter battery and the stinger (mb does when they supply their auxiliary battery option). Recreational vehicles, or rvs, are equipped with battery isolators, which must function both when the engine is operating and when it is not. Rv dual battery switch wiring diagram wiring diagram expert wiring diagram for 4×4 accessories wiring diagram list.
Now that you know whats going on under the hood, you can install the isolator.
Rv dual battery switch wiring diagram wiring diagram expert wiring diagram for 4×4 accessories wiring diagram list. However, this diagram is a simplified variant of the structure. State of main relay, on or the battery isolator is configured through the ecumaster light client software. Rv trailer battery wiring diagram online wiring diagram. First it receives current from the alternator and controls distribution of energy to both refer to diagram (fig. Solar power & rv battery banks. Battery charger wiring diagram with large solar panels and batteries to enjoy fast device charging, even at nighttime when there is no solar power. Gauges kit boat, relay kit, relay switch, auto alternator, isolation wires, wiring diode. Whether it is a fuel line replacement or wiring a battery isolator, you can accomplish many seemingly tough jobs on your own. Rv battery isolator wiring great installation of wiring diagram. This is a video of me replacing my pac 80 battery isolator. 100ah and up (one or more batteries). Some components (bus bars, cables, switch, fuses,etc.) in this diagram are cheaper (and smaller) because they're rated for lower current.