Home › Unlabelled ›
How Does A Solid State Relay Work - The Complete Guide To Solid State Relays Rs Components / Another attribute of solid state relays is that they provide electrical isolation between the input and output circuits as do the more traditional.
How Does A Solid State Relay Work - The Complete Guide To Solid State Relays Rs Components / Another attribute of solid state relays is that they provide electrical isolation between the input and output circuits as do the more traditional.. Because of its excellent performance, solid state relay has become an essential industrial control device in many fields. What is the working principle of solid state relays. A solid state relay (ssr) is an electronic switching device that switches on or off when an external voltage (ac or dc) is applied across its control terminals. The working principle of the solid state relay (static) is similar to that of the electromechanical relay. How to select the solid state relays.
Solid state relay has also opto isolation feature. The working principle of the solid state relay (static) is similar to that of the electromechanical relay. Am i correct in calculating it multiplying 7.5 by 12 then dividing by 5 (the new voltage)? Usually, a lower voltage switching circu. This is how relays work:
Ac Solid State Relay Electronics Lab Com from www.electronics-lab.com How to select the solid state relays. Solid state relay generally used for controlling heating in industry we explain working of solid state relay for more information just watch and learn. They work using negligible current and therefore do not drain battery in battery operated systems. This diode in turn triggers a. This solid state ac relay switch circuit is useful in ac switching without mechanical relay. I'm controlling it with an arduino which has a maximum current draw of 40 ma per pin. Therefore solid state relays are also called as static relays. Since its introduction, the ssr technology has gained acceptance.
This has gradually changed, and there has been wide acceptance of the use of solid state devices, whether they are solid state relays or power controllers.
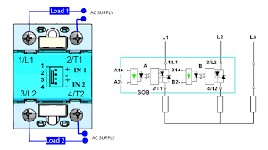
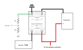
Instead of using mechanical parts as in electrothermal and electromechanical it has two poles and a throw. So far we have learned the theoretical design of an ssr, now let's move ahead and see how a practical solid state relay module could be built, for switching a desired high power ac load, without any. It is just like a big version of opto coupler. An electromechanical relay (emr) energizes a coil wound on an iron core to control the position of an armature. Usually, a lower voltage switching circu. Solid state relay has such following advantages over electromagnetic relays: A solid state relay specifies a trigger current of 7.5ma/12v. For a normally open output, the energized coil forces the armature to put the. Because of its excellent performance, solid state relay has become an essential industrial control device in many fields. Solid state relay generally used for controlling heating in industry we explain working of solid state relay for more information just watch and learn. As electrical components, ssrs are widely used to perform much the same on/off, open/close functions as standard relays, but a solid state switch does so entirely without any physical movement within the relay itself. As far as i understand, the specs of this relay are perfect for use with an arduino. In this there is only semiconductor devices used, no mechanical coil relay is used to switching the connected load.
How to select the solid state relays. So far we have learned the theoretical design of an ssr, now let's move ahead and see how a practical solid state relay module could be built, for switching a desired high power ac load, without any. Control signal & power line is completely isolated by an internal led. Unlike electromechanical type, they do not posses any mechanically moving parts. Another attribute of solid state relays is that they provide electrical isolation between the input and output circuits as do the more traditional.
Solid State Relay Diy Or Buy Youtube from i.ytimg.com I'm controlling it with an arduino which has a maximum current draw of 40 ma per pin. Another attribute of solid state relays is that they provide electrical isolation between the input and output circuits as do the more traditional. A solid state relay (ssr) is an electronic switching device that switches on or off when an external voltage (ac or dc) is applied across its control terminals. High reliability, no contact, no spark, long life, fast switching speed. They use analogue electronic devices. Usually, a lower voltage switching circu. Attentions when using or installing solid state relays. They use a small electric current to trigger a much bigger one.
The working principle of the solid state relay (static) is similar to that of the electromechanical relay.
Because of its excellent performance, solid state relay has become an essential industrial control device in many fields. Another attribute of solid state relays is that they provide electrical isolation between the input and output circuits as do the more traditional. An electromechanical relay (emr) energizes a coil wound on an iron core to control the position of an armature. In case of slow developing faults within the. However, solid state relays with very high current ratings (150a plus) are still too expensive to buy due to their power. Therefore solid state relays are also called as static relays. This has gradually changed, and there has been wide acceptance of the use of solid state devices, whether they are solid state relays or power controllers. Control signal & power line is completely isolated by an internal led. Unlike electromechanical type, they do not posses any mechanically moving parts. In a solid state relay, when a part which is like control circuit transistor, is powered on, power circuit switches the part similar to. Solid state relay, briefly ssr, is a switching order completely composed of electronic parts. They work using negligible current and therefore do not drain battery in battery operated systems. Since its introduction, the ssr technology has gained acceptance.
Since its introduction, the ssr technology has gained acceptance. Also, tell us more about how a country has an electrical system without ground connections? They use analogue electronic devices. Solid state relay inline box for remote controlled extension cord. Because of its excellent performance, solid state relay has become an essential industrial control device in many fields.
Solid State Relay Characteristics And Applications from www.designworldonline.com Also, tell us more about how a country has an electrical system without ground connections? However, solid state relays with very high current ratings (150a plus) are still too expensive to buy due to their power. As electrical components, ssrs are widely used to perform much the same on/off, open/close functions as standard relays, but a solid state switch does so entirely without any physical movement within the relay itself. Solid state relay, briefly ssr, is a switching order completely composed of electronic parts. Solid state relays are extremely useful and powerful components for on/off switching of ac and dc loads while providing. For many years, the main device for controlling power was to use a contactor. A solid state relay specifies a trigger current of 7.5ma/12v. They use a small electric current to trigger a much bigger one.
In case of slow developing faults within the.
This has gradually changed, and there has been wide acceptance of the use of solid state devices, whether they are solid state relays or power controllers. Solid state relay is a type of switch to activate load by using without any mechanical parts. Therefore solid state relays are also called as static relays. Another attribute of solid state relays is that they provide electrical isolation between the input and output circuits as do the more traditional. For instance, in some time over current solid. Control signal & power line is completely isolated by an internal led. > motors, mechanics, power and cnc. As far as i understand, the specs of this relay are perfect for use with an arduino. Solid state relay has also opto isolation feature. Solid state relay has such following advantages over electromagnetic relays: High reliability, no contact, no spark, long life, fast switching speed. We'll answer these questions and more with the main difference between an electrical mechanical relay and a solid state is the fact that there are no actual moving components in a ssr (just like the. They switch faster, silently, without bouncing or mechanical relays do not have this limitation and are available with multiple poles and throws.