Home › Unlabelled ›
1982 Toyota Fuse Box Diagram / 1989 Toyota Camry Fuse Box Location Wiring Diagram Replace Wet Random Wet Random Miramontiseo It : Most vauxhalls have a fuse diagram on the fusebox lid.i would think the holdens would be similar?
1982 Toyota Fuse Box Diagram / 1989 Toyota Camry Fuse Box Location Wiring Diagram Replace Wet Random Wet Random Miramontiseo It : Most vauxhalls have a fuse diagram on the fusebox lid.i would think the holdens would be similar?. 1,493 toyota camry fuse box products are offered for sale by suppliers on alibaba.com. Let your fuse box diagram be the guide to the fuse you need to pull. I've deleted my efi and went to a carbed motor and want to pull out any unneeded fuses, and also just want to know what fuse goes where. Fuso engine electric management system schematics. Most vauxhalls have a fuse diagram on the fusebox lid.i would think the holdens would be similar?
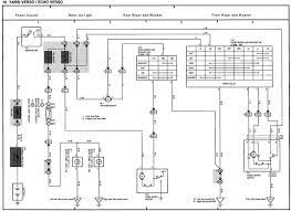
Honda accord fuse box diagram fuse box diagram pulling fuses is easy. Then it must be the fuse, but i can't figure which fuse it is. Fuse panel description (driver's side). Just taken a picture of the fuse box by the engine. Under the hood, the toyota fuse box diagram of safety locks is located on the right (on the scheme at number 5), in a close part of the motor compartment.
Ford Fuse Box Diagram Welcome To My Site from fordfuse.com Seeking information about land rover discovery fuse box diagram? Fuso engine electric management system schematics. You might be a service technician that intends to search for referrals or address existing problems. My glove box doesn't work. 1996 corolla fuse box diagram. Fuse box in passenger compartment toyota corolla e100. If your toyota camry's interior lighting, stereo, or electronic components suddenly stop working, you probably need to replace a fuse. I've deleted my efi and went to a carbed motor and want to pull out any unneeded fuses, and also just want to know what fuse goes where.
You can also find the fuse box diagram in vw service manuals at your local library.
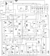
Fuse panel diagram toyota corolla ae86, corolla sport, corolla levin and sprinter trueno (1983, 1984, 1985, 1986, 1987). I'm looking for the wiring diagram for the fuse box of 3rg gen anyone? Let your fuse box diagram be the guide to the fuse you need to pull. Owner manuals, fuse box layouts, location, wiring. If your corolla has many options like a sunroof, navigation, heated seats, etc, the more fuses it has. Skid control ecu with actuator 3. Fuso truck fuses box schema. 1979, 1980, 1981, 1982, 1983, 1984, 1985, 1986, 1987, 1988 caliper rebuild diagram. Honda accord fuse box diagram fuse box diagram pulling fuses is easy. Most vauxhalls have a fuse diagram on the fusebox lid.i would think the holdens would be similar? 1996 corolla fuse box diagram. Headlight cleaner control relay 4. Fuso engine electric management system schematics.
I'm looking for the wiring diagram for the fuse box of 3rg gen anyone? Fuso truck fuses box schema. If your corolla has many options like a sunroof, navigation, heated seats, etc, the more fuses it has. Then it must be the fuse, but i can't figure which fuse it is. Here's a simple guide on finding the fuse box diagram and seeing if that fuse needs to be replaced.
83 87 Toyota Corolla Ae86 Fuse Box Diagram from fotohostingtv.ru Internal fuse box diagram for toyota camry(2002) (click on image for larger view). A wide variety of toyota camry fuse there are 3 suppliers who sells toyota camry fuse box on alibaba.com, mainly located in asia. If your toyota camry's interior lighting, stereo, or electronic components suddenly stop working, you probably need to replace a fuse. 1997 mitsubishi 3000gt mini fuse box diagram 1997 mitsubishi 3000gt mini fuse box map fuse panel layout diagram parts: I check the light and the switch. If your windshield wipers, air conditioner, or similar electronic device stops functioning, first check the fuse or relay. Fuse panel description (driver's side). Headlight cleaner control relay 4.
2000, 2001, 2002, 2003, 2004).
I check the light and the switch. 1,493 toyota camry fuse box products are offered for sale by suppliers on alibaba.com. Owner manuals, fuse box layouts, location, wiring. You can also find the fuse box diagram in vw service manuals at your local library. Toyota hilux fuse box diagram window cleaner. Air injection control driver rhd: 1996 corolla fuse box diagram. Cooling system door wiring diagram. 1979, 1980, 1981, 1982, 1983, 1984, 1985, 1986, 1987, 1988 caliper rebuild diagram. This video is a fuse diagram plot with hopes of people helping each other out to find out the problems that they may be having with the vehicle. I have a fiat punto, its a 51 reg so i'm sure that its a mk 2. Fuso truck fuses box schema. 1997 mitsubishi 3000gt mini fuse box diagram 1997 mitsubishi 3000gt mini fuse box map fuse panel layout diagram parts:
Then it must be the fuse, but i can't figure which fuse it is. I've deleted my efi and went to a carbed motor and want to pull out any unneeded fuses, and also just want to know what fuse goes where. Some components may have multiple. A wide variety of toyota camry fuse there are 3 suppliers who sells toyota camry fuse box on alibaba.com, mainly located in asia. If your toyota camry's interior lighting, stereo, or electronic components suddenly stop working, you probably need to replace a fuse.
Diagram 82 Corvette Fuse Block Diagram Full Version Hd Quality Block Diagram Scatterdiagram Sciclubladinia It from i1.wp.com Here's a simple guide on finding the fuse box diagram and seeing if that fuse needs to be replaced. This guide will let you know what fuse does what in your honda accord. The top countries of supplier is china, from which the. Air injection control driver rhd: 1,493 toyota camry fuse box products are offered for sale by suppliers on alibaba.com. I'm looking for the wiring diagram for the fuse box of 3rg gen anyone? Fuse box in passenger compartment toyota corolla e100. Cooling system door wiring diagram.
1,493 toyota camry fuse box products are offered for sale by suppliers on alibaba.com.
Fuso engine electric management system schematics. Mustang diagrams including the fuse box and wiring schematics for the following year ford mustangs: Fuse box diagrams a blown fuse can be a pain to find without the proper diagram. You might be a service technician that intends to search for referrals or address existing problems. The top countries of supplier is china, from which the. Under the hood, the toyota fuse box diagram of safety locks is located on the right (on the scheme at number 5), in a close part of the motor compartment. If your corolla has many options like a sunroof, navigation, heated seats, etc, the more fuses it has. The reason i say this is because the place where there is no fuse on mine is in the place of the #9 fuse on your diagram. Fuse panel diagram toyota corolla ae86, corolla sport, corolla levin and sprinter trueno (1983, 1984, 1985, 1986, 1987). Most vauxhalls have a fuse diagram on the fusebox lid.i would think the holdens would be similar? A wide variety of toyota camry fuse there are 3 suppliers who sells toyota camry fuse box on alibaba.com, mainly located in asia. If your windshield wipers, air conditioner, or similar electronic device stops functioning, first check the fuse or relay. Owner manuals, fuse box layouts, location, wiring.