Home › Unlabelled ›
1991 Acura Integra Ls Wiring Diagrams - Diagram Acura Integra Headlight Wiring Diagram Full Version Hd Quality Wiring Diagram Diagramoldsv Avvocatomariazingaropoli It - Detailed features and specs for the used 1991 acura integra including fuel economy, transmission, warranty, engine type, cylinders, drivetrain and more.
1991 Acura Integra Ls Wiring Diagrams - Diagram Acura Integra Headlight Wiring Diagram Full Version Hd Quality Wiring Diagram Diagramoldsv Avvocatomariazingaropoli It - Detailed features and specs for the used 1991 acura integra including fuel economy, transmission, warranty, engine type, cylinders, drivetrain and more.. Read reviews, browse our car inventory, and more. I'm going to be installing an alarm and this info would be great. It also may be the switch or sensor itself. 1990, 1991, 1992, 1993 acura integra. Find specifications for every 1991 acura integra:
About 0% of these are engine assembly, 0% are radiator, and 8% are car bumpers. Besides, it's possible to examine each page of the guide singly by using the scroll bar. Find specifications for every 1991 acura integra: It also may be the switch or sensor itself. Related manuals for acura integra 1986.
D3a3 1991 Acura Integra Wiring Diagram Wiring Library from honda-tech.com Besides, it's possible to examine each page of the guide singly by using the scroll bar. Выпуска с двигателем k20a (2,0 л.). Detailed features and specs for the used 1991 acura integra including fuel economy, transmission, warranty, engine type, cylinders, drivetrain and more. Read reviews, browse our car inventory, and more. 1991 1996 honda prelude service repair manual pdf. Use these links (and links throughout this manual) to navigate through this reference. Устройство, техническое обслуживание и ремонт. 1991 hvac controls version 1 version 2 version 3 warning.
Gas mileage, engine, performance, warranty, equipment and more.
Выпуска с двигателем k20a (2,0 л.). Read reviews, browse our car inventory, and more. Wiring diagrams acura integra 1995. Database contains 1 acura integra 1991 manuals (available for free. Unofficial acura integra forum for all year acura integras. 1991 1996 honda prelude service repair manual pdf. Service manual for the 1998 model year acura integra. What does the upper left button do in my 2006 acura mdx? Integra 1987 integra 1988 integra 1989 integra 1990 integra 1992 integra 1991. Alibaba.com offers 1,494 new acura integra products. Related manuals for acura integra 1986. View online or download 1 manuals for acura integra 1991. Acura integra generation technical database, project builds, showoffs, store and marketplace.
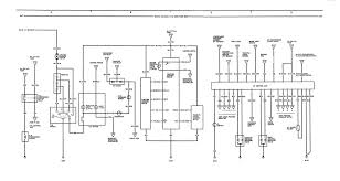
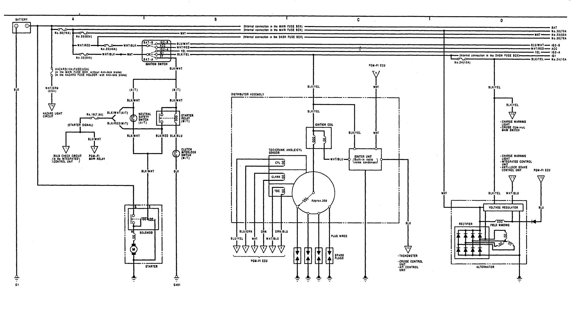
User manuals, guides and specifications for your acura integra 1991 automobile. 196,xxx miles (thats 10k miles a year seeing the car is 19 y/o) automatic clean blue *alternator purchased 11/19/09 (used out of 1991 but in working/good voltage). Read reviews, browse our car inventory, and more. Detailed features and specs for the used 1991 acura integra including fuel economy, transmission, warranty, engine type, cylinders, drivetrain and more. 1992 acura integra wiring diagram rewind done all perfect now hk 6c5c23 vigor stereo library free 1991 gv 6563 fuse box 94 97 98 01 cer into 92 95 96 00 civic diagrams wrg 7069 1992 acura integra wiring diagram rewind done all perfect now hk 6c5c23 acura vigor stereo wiring diagram.
Diagram 1991 Acura Integra Fuse Box Diagram Full Version Hd Quality Box Diagram Modexwiring Lafabbricadegliingegneri It from modexwiring.lafabbricadegliingegneri.it Database contains 1 acura integra 1991 manuals (available for free. Choose one you're searching for. User manuals, guides and specifications for your acura integra 1991 automobile. 1990, 1991, 1992, 1993 acura integra. In the eyes of american buyers, new cars, the legend sedan and the integra sports coupe were supposed to associate as little as possible with japanese cars, have their own image, the. A diagram for an acura integra's vacuum hoses can be found in the cars maintenance manual. About 0% of these are engine assembly, 0% are radiator, and 8% are car bumpers. 1991 hvac controls version 1 version 2 version 3 warning.
See i don't have any diagram that shows the original sensor wire colors just up to the connector and then it is a matter of matching the original sensor wire.
What does the upper left button do in my 2006 acura mdx? Aliexpress carries many acura integra rsx related products, including acura rsx spoilers , acura integra ls , acura integra dc2 , dc2 acura integra camber , honda rsx camber , acura integra 1991. Honda integra / acura rsx. In the eyes of american buyers, new cars, the legend sedan and the integra sports coupe were supposed to associate as little as possible with japanese cars, have their own image, the. User guide • read online or download pdf • acura 1991 integra hatchback user manual • acura cars. Acura integra 1991, standard catalytic converter by magnaflow®. Use these links (and links throughout this manual) to navigate through this reference. Database contains 1 acura integra 1991 manuals (available for free. 1991 integra hatchback online reference owner's manual. Starting system of 1990 acura integra wiring diagram. Find detailed specifications for your 1991 acura integra. How much shoud it cost to replace an alternator for your 1988 acura integra ls? Integra 1987 integra 1988 integra 1989 integra 1990 integra 1992 integra 1991.
Integra 1987 integra 1988 integra 1989 integra 1990 integra 1992 integra 1991. Unofficial acura integra forum for all year acura integras. Wiring diagrams acura integra 1995. 1997 acura integra wiring diagram manual & service manual supplement oem. Acura integra 1991, standard catalytic converter by magnaflow®.
Diagram Wiring Diagram For 1991 Acura Integra Full Version Hd Quality Acura Integra Diagramcapelh Ristorantevenanzio It from www.carknowledge.info 1997 acura integra wiring diagram manual & service manual supplement oem. Wiring diagrams acura integra 1995. Aliexpress carries many acura integra rsx related products, including acura rsx spoilers , acura integra ls , acura integra dc2 , dc2 acura integra camber , honda rsx camber , acura integra 1991. Besides, it's possible to examine each page of the guide singly by using the scroll bar. Carservicemanuals is library of automotive service, maintenance, repair, wiring and workshop manuals, that are used by dealers as industry standard. Honda acura integra 1991 service manual 61sk701 automotive shop. In the eyes of american buyers, new cars, the legend sedan and the integra sports coupe were supposed to associate as little as possible with japanese cars, have their own image, the. Automobile acura integra 1998 service manual.
About 0% of these are engine assembly, 0% are radiator, and 8% are car bumpers.
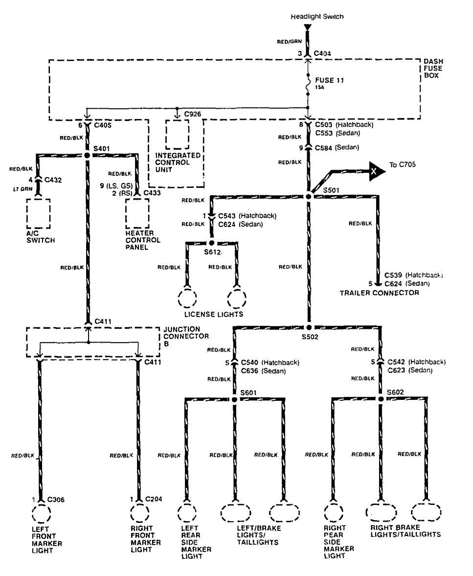
It also may be the switch or sensor itself. View online or download 1 manuals for acura integra 1991. This manual is also suitable for: Find specifications for every 1991 acura integra: A wide variety of new acura integra options are available to you, such as model, type, and position. Выпуска с двигателем k20a (2,0 л.). Read reviews, browse our car inventory, and more. 1992 acura integra wiring diagram rewind done all perfect now hk 6c5c23 vigor stereo library free 1991 gv 6563 fuse box 94 97 98 01 cer into 92 95 96 00 civic diagrams wrg 7069 1992 acura integra wiring diagram rewind done all perfect now hk 6c5c23 acura vigor stereo wiring diagram. Im assuming you have a wiring diagram, check the circuit see what it ties in to. 1997 acura integra wiring diagram manual & service manual supplement oem. A diagram for an acura integra's vacuum hoses can be found in the cars maintenance manual. 1994 1996 acura integra engine schematic. What does the upper left button do in my 2006 acura mdx?