Home › Unlabelled ›
1986 Chevy Truck Wiring Diagram / 60 New 1986 Chevy Truck Wiring Diagram Pics | Wsmce.Org : Handy wiring diagram that shows a paper trail of how the electrical system works for the 7.3l powerstroke engines, all trucks, excursions, vans.
1986 Chevy Truck Wiring Diagram / 60 New 1986 Chevy Truck Wiring Diagram Pics | Wsmce.Org : Handy wiring diagram that shows a paper trail of how the electrical system works for the 7.3l powerstroke engines, all trucks, excursions, vans.. 1955 chevy truck color wiring diagram (series 2). New wiring diagram of zen car | chevy trucks, 1979 chevy. Chevrolet wiring diagram v8 1959 electrical system 189 kb. The modern name was introduced in 1986. Gmc truck 1995 vandura rally owners manual.
Chevrolet workshop manuals, chevrolet owners manuals, chevrolet wiring diagrams, chevrolet sales brochures and general miscellaneous chevrolet downloads. 1955 chevrolet car wiring diagrams 3 mb. Custom truck builder david welch gives us his best tips & techniques for installing a custom wiring harness in a classic chevrolet or gmc pickup. Volvo semi truck wiring diagram. Chevrolet caprice repair manual eng.
Blower Works on High: Hello Great Web Site . I Have a 85 ... from www.2carpros.com International trucks service manuals pdf, workshop manuals, wiring diagrams, schematics circuit diagrams, fault codes and trouble codes free download. It is usually refered to as an emissions system diagrahm. Not always best quality, but a huge free database, going back to 1986 models. Volvo truck wiring diagrams free download. Chevrolet wiring diagram v8 1959 electrical system 189 kb. There is an aux button on the. I am looking for a complete wireing schematics for an 1989 chevrolet s 10 truck with 43l motor and tbi is there somewere on the wiring diagram 89 chevy truck schematic library. 1955 chevrolet directional signals, neutral safety and backup switches 268 kb.
1984 chevy truck wiring diagram.
.chevy s10 wiper motor wiring diagram if you go to autozone.com and sign up with them, there is a link to trouble shooting and then go to electrical in main body.chevy s10 free wiring diagrams at bbb industries. The modern name was introduced in 1986. Please download the largest size and use it and share it. 1955 chevrolet car wiring diagrams 3 mb. 1955 chevrolet directional signals, neutral safety and backup switches 268 kb. Chevrolet caprice repair manual eng. It is usually refered to as an emissions system diagrahm. Handy wiring diagram that shows a paper trail of how the electrical system works for the 7.3l powerstroke engines, all trucks, excursions, vans. New wiring diagram of zen car | chevy trucks, 1979 chevy. It's very detailed and shows how every wire for each component routes to the. 1955 chevy truck color wiring diagram (series 2). I turn it up to a little under half full volume it starts to fuzz out like its not getting enough power.i checked the grounds going from the lights there all fine i cleaned the connections and also the power supply wires but it still does it.the engine is grounded to the frame properly also. I've looked at other 2001 silverado i am trying to manually add an ipod interface for my 2004 chev silverado truck.
A 1965 chevrolet 283 engine wire diagram can be obtained from most chevrolet dealerships. Are you worried about making decisions involving your auto repair and maintenance? This is a gm diagram that i colored using photoshop. Handy wiring diagram that shows a paper trail of how the electrical system works for the 7.3l powerstroke engines, all trucks, excursions, vans. Please download the largest size and use it and share it.
I am looking for a starter wiring diagram for a 1986 ... from www.justanswer.com Handy wiring diagram that shows a paper trail of how the electrical system works for the 7.3l powerstroke engines, all trucks, excursions, vans. 1984 chevy truck wiring diagram. It was a copy i had to photoshop to make it readable & printable. Are you worried about making decisions involving your auto repair and maintenance? Not always best quality, but a huge free database, going back to 1986 models. Chevy truck 1965 engine compartment wiring diagram 151 kb. Custom truck builder david welch gives us his best tips & techniques for installing a custom wiring harness in a classic chevrolet or gmc pickup. 1955 chevrolet car wiring diagrams 3 mb.
1986 chevy truck cd shop manual and wiring diagrams pickup blazer suburban van (fits:
Chevrolet workshop manuals, chevrolet owners manuals, chevrolet wiring diagrams, chevrolet sales brochures and general miscellaneous chevrolet downloads. Our chevrolet automotive repair manuals are split into five broad categories; Dodge ram 2005, wiring diagrams. 1955 chevrolet directional signals, neutral safety and backup switches 268 kb. Looking for the wiring diagram for a 1994 chevy silverado 1500 two wheel drive … read more. Custom truck builder david welch gives us his best tips & techniques for installing a custom wiring harness in a classic chevrolet or gmc pickup. You should be able to find a shop manual at your local library with the right info.make ebay 1954 chevy truck and you can buy a 11x17 diagram for the whole trucks system. .chevy s10 wiper motor wiring diagram if you go to autozone.com and sign up with them, there is a link to trouble shooting and then go to electrical in main body.chevy s10 free wiring diagrams at bbb industries. Print it front and back or two pages. This is an incomplete collection of various schematics for chevrolet cars and trucks. I am looking for a complete wireing schematics for an 1989 chevrolet s 10 truck with 43l motor and tbi is there somewere on the wiring diagram 89 chevy truck schematic library. First of the new body style where gm moved the gas tank from the cab to the right bed side also known as. I've looked at other 2001 silverado i am trying to manually add an ipod interface for my 2004 chev silverado truck.
Volvo l150f, l180f, l220f recycling manual. This is an incomplete collection of various schematics for chevrolet cars and trucks. 1955 chevrolet car wiring diagrams 3 mb. Hi, i need a wiring diagram for a 2001 chevy silverado 3500(dually) ls package. Gmc truck 1995 vandura rally owners manual.
1972 Chevy Truck Wiring Diagram Sources inside 1972 Chevy ... from i.pinimg.com The modern name was introduced in 1986. 1971 heavy chevy truck wiring diagram wiring. Chevrolet caprice repair manual eng. Chevrolet workshop manuals, chevrolet owners manuals, chevrolet wiring diagrams, chevrolet sales brochures and general miscellaneous chevrolet downloads. 800 x 600 jpeg 86 кб. 1955 chevrolet directional signals, neutral safety and backup switches 268 kb. Looking for the wiring diagram for a 1994 chevy silverado 1500 two wheel drive … read more. Easy to follow, full color wiring diagram on one 11 x 17 sheet.
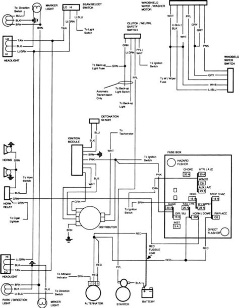
Modified diagram for trucks with hei ignition and internal regulator alternator with factory gauges.
Volvo l150f, l180f, l220f recycling manual. It's very detailed and shows how every wire for each component routes to the. Are you worried about making decisions involving your auto repair and maintenance? I've looked at other 2001 silverado i am trying to manually add an ipod interface for my 2004 chev silverado truck. You should be able to find a shop manual at your local library with the right info.make ebay 1954 chevy truck and you can buy a 11x17 diagram for the whole trucks system. Diagram of 1986 chevy c 10 carburator wiring wiring diagram 1976 chevy vacuum hose diagram wiring diagram online1976 chevy 350 vacuum diagram wiring diagrams hubs vacuum. Hi, i need a wiring diagram for a 2001 chevy silverado 3500(dually) ls package. Gmc truck 1995 vandura rally owners manual. Please post wiring diagram for 1986 chevy nova sedan 4 door. Volvo semi truck wiring diagram. Chevrolet workshop manuals, chevrolet owners manuals, chevrolet wiring diagrams, chevrolet sales brochures and general miscellaneous chevrolet downloads. 1955 chevrolet car wiring diagrams 3 mb. Find great deals on ebay for 1986 chevrolet trucks wiring diagram.